HomeCylindersHDH Series – Double Acting Hollow Cylinder

HDH Series – Double Acting Hollow Cylinder

  • Double-acting, hydraulic return.
  • Hollow plunger design can be used for both thrust and tension.
  • Lock thread design, easy to fix.
  • Chrome-plated rod, rust and corrosion resistant.
  • Specially designed cup seal, stable and durable performance.
Contact Us
Marx Power®

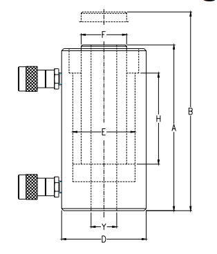
Product Dimensions

Capacity

ton(KN)

Stroke

H(mm)

ModelCylinder max

capacity(KN)

Effective area

(cm2)

Oil

capacity

(cm3)

Collapsed

height

A(mm)

Extended

height

B(mm)

Outside

dia

D(mm)

Bore

dia

E(mm)

Plunger

dia

F(mm)

Hole

dia

Y(mm)

Weight (kg)
AdReAdReAdRe
30178HDH30-17832621346.630.4829541330508114896533.321
258HDH30-25832621346.630.41202784431689114896533.327
 

60

89HDH60-8957638082.354.27334822473361591249253.828
166HDH60-16657638082.354.213669003234891591249253.835
257HDH60-25757638082.354.2211513934386951591249253.845
 

 

100

38HDH100-3893161213387.450533316520321216512779.233
76HDH100-7693161213387.4101166625433021216512779.261
153HDH100-15393161213387.42035133734249521216512779.279
257HDH100-25793161213387.43402224646071721216512779.2106
15076HDH150-761429718204.1102.64144208334955224719015279.2111

Downloads

I am text block. Click edit button to change this text. Lorem ipsum dolor sit amet, consectetur adipiscing elit. Ut elit tellus, luctus nec ullamcorper mattis, pulvinar dapibus leo.

WhatsApp